+1(713) 357-5204
info@rpktspl.com
Home
About Us
Services
Structural Steel Detailing
Miscellaneous Steel Detailing
Connection Designs And Stamping
Estimation Support System
Project Management Portal
Complete Project
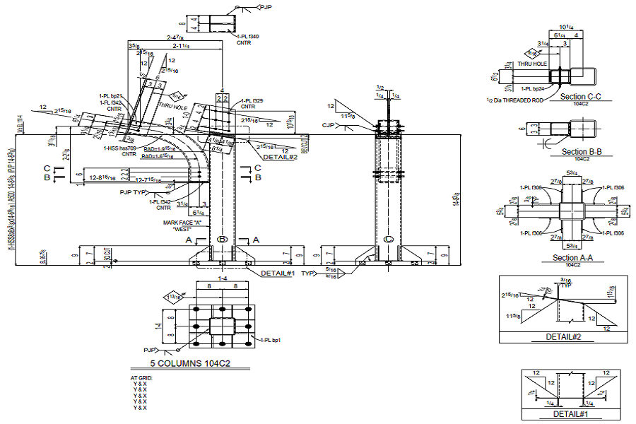
Drawing Sample
Detail Drawings Sample
Erection Drawings Sample
Career
Contact Us
Get a Quote
Get a quote
City of College Station - Bachmann Park
Project Details
Tonnage:
187
Category:
Commercial
Location:
College Station,TX 77845
Description
DOWNLOAD PDF